Description
Wilwood remote tandem master cylinder kits with GM-style angled reservoirs represent the latest in refinements in brake pressure actuation and fluid control. The durable nylon reservoirs are designed so that the top is level when mounted at the 15 degree angle typical of GM power brake applications. Wilwood kits package master cylinder with GM-style angled reservoirs, combination proportioning valve, mounting bracket, fluid tubes, and mounting hardware.
Features include:
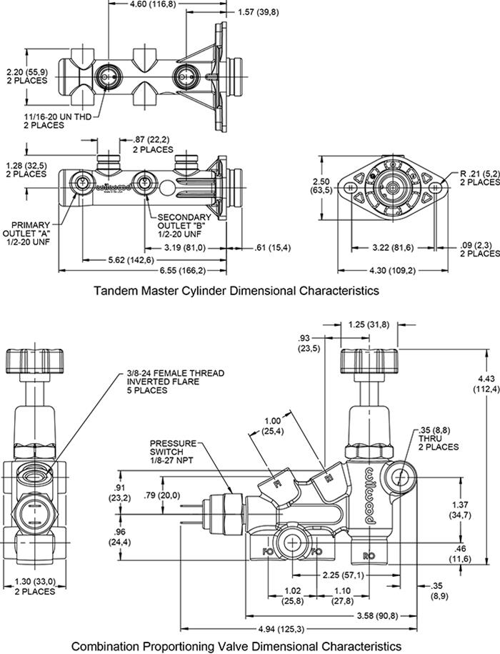
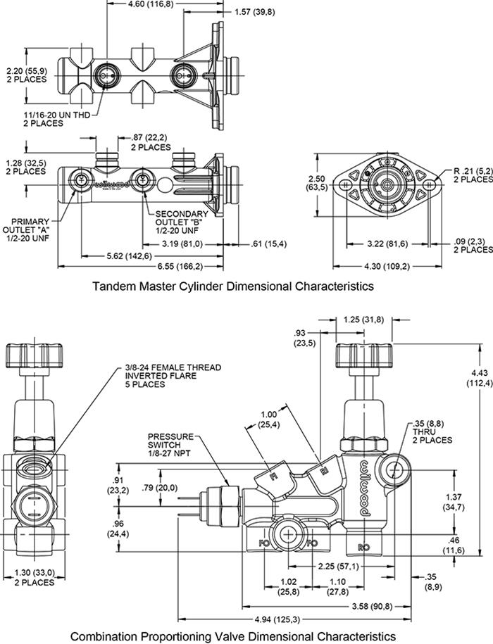
* High-pressure diecast aluminum cylinder is available ball burnished or with a black E-coat, and slotted mounting flanges for 3.22 in. to 3.40 in. on center studs
* Combination proportioning valve substantially simplifies wiring and brake proportioning incorporating a hydraulic brake light switch, adjustable prop valve, and Y-junction block, and finished in black E-coat for durability and a performance look
* Precision-bent stainless steel fluid tubes with pre-installed plated steel tube nuts for a simple bolt-on installation
* Rear brake circuit reservoir, closest to the booster, holds 4.7 oz., while front brake reservoir holds 7.8 oz., both made of black plastic with black screw caps
Brand: Wilwood Disc Brakes
Manufacturer's Part Number: 261-16963-BK
Part Type: Master Cylinders
Product Line: Wilwood Remote Tandem Master Cylinder Kits with GM-Style Angled Reservoirs
HP Direct Part Number: WIL-261-16963-BK
UPC: 889545106817
Master Cylinder Usage: Brake
Master Cylinder Bore Size: 1.125 in.
Power Brake Compatible: Yes
Outlet Quantity: 2
Outlet Size 1: 1/2 in.-20
Outlet Size 2: 1/2 in.-20
Master Cylinder Material: Aluminum
Master Cylinder Finish: Black
Bowl Design: Dual
Mounting Hole Quantity: 2 holes
Mounting Flange Center to Center Distance (in.): 3.220-3.400
Master Cylinder Stroke: 1.120 in.
Remote Reservoir: No
Reservoir Included: Yes
Reservoir Material: Plastic
Reservoir Color: Black
Master Cylinder Cap Included: Yes
Pushrod Included: No
Mounting Brackets Included: Yes
Hardware Included: Yes
Remanufactured: No
Quantity: Sold as a kit.
Features include:
* High-pressure diecast aluminum cylinder is available ball burnished or with a black E-coat, and slotted mounting flanges for 3.22 in. to 3.40 in. on center studs
* Combination proportioning valve substantially simplifies wiring and brake proportioning incorporating a hydraulic brake light switch, adjustable prop valve, and Y-junction block, and finished in black E-coat for durability and a performance look
* Precision-bent stainless steel fluid tubes with pre-installed plated steel tube nuts for a simple bolt-on installation
* Rear brake circuit reservoir, closest to the booster, holds 4.7 oz., while front brake reservoir holds 7.8 oz., both made of black plastic with black screw caps
Brand: Wilwood Disc Brakes
Manufacturer's Part Number: 261-16963-BK
Part Type: Master Cylinders
Product Line: Wilwood Remote Tandem Master Cylinder Kits with GM-Style Angled Reservoirs
HP Direct Part Number: WIL-261-16963-BK
UPC: 889545106817
Master Cylinder Usage: Brake
Master Cylinder Bore Size: 1.125 in.
Power Brake Compatible: Yes
Outlet Quantity: 2
Outlet Size 1: 1/2 in.-20
Outlet Size 2: 1/2 in.-20
Master Cylinder Material: Aluminum
Master Cylinder Finish: Black
Bowl Design: Dual
Mounting Hole Quantity: 2 holes
Mounting Flange Center to Center Distance (in.): 3.220-3.400
Master Cylinder Stroke: 1.120 in.
Remote Reservoir: No
Reservoir Included: Yes
Reservoir Material: Plastic
Reservoir Color: Black
Master Cylinder Cap Included: Yes
Pushrod Included: No
Mounting Brackets Included: Yes
Hardware Included: Yes
Remanufactured: No
Quantity: Sold as a kit.
Payment & Security
Your payment information is processed securely. We do not store credit card details nor have access to your credit card information.


