Description
                            Wilwood Forged Narrow Dynalite (FNDL) calipers are ideal for and widely used in many competition applications including late models, Modifieds, Sprint Cars, off-road, and road racing. Computer-generated design and stress analysis technology provided substantial improvements in strength and performance over all comparable narrow-mount brake calipers. 
 
Stress-flow forging re-aligns the metal's grain structure within the contour of the caliper body. This eliminates the breaks and interruptions to the internal grain structure that occur when machining a straight block billet. Structural deflection and volume displacement tests have proven that FDNL calipers outperform all existing styles of this popular caliper size. The superior strength of this innovative design is combined with proven performance features from Wilwood's earlier designs.
 
Features of Wilwood Forged Narrow Dynalite calipers include:
 
* The strongest calipers in the class
* Direct replacements for all previous Narrow Dynalites and similar competitive brands with 3.50 in. centered mounting tabs
* Five bolts provide superior bridge strength and positive retention of the top loaded 7816 or 7216-type brake pads
* Radial-transition design between the piston housing body and the caliper bridges increases resistance to deflection and separation
* SRS stainless steel bridge plates eliminate bridge wear caused by pad gouging and extend the service life of the caliper body
* Spring-loading action of the SRS plates also eliminates pad rattle and dampens the vibration harmonics that contribute to squeal
* High-temperature seals and stainless steel pistons eliminate corrosion and retard heat transfer from the pads
* Internal fluid passages eliminate the need for external tubes
* Four corner bleed screws assure simple and effective bleeding and allow calipers to be mounted in any position, front or rear
* Full range of PolyMatrix pad compounds is available to match brake response and heat range requirements
* Available anodized, in custom colors, or polished (select piston sizes and rotor widths)
Brand: Wilwood Disc Brakes
Manufacturer's Part Number: 120-13406-SI
Part Type: Brake Calipers
Product Line: Wilwood Forged Narrow Dynalite Calipers
HP Direct Part Number: WIL-120-13406-SI
UPC: 889545080735
Caliper Series: Forged Narrow Dynalite
Caliper Piston Quantity: Four
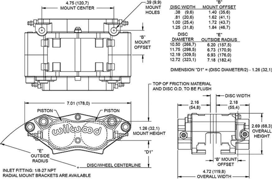
Piston Diameter (in.): 1.750
Rotor Thickness (in.): 0.810 in.
Caliper Material: Aluminum
Caliper Color: Gray/Silver
Caliper Logo: Wilwood
Parking Brake Provision: No
Fittings Included: No
Fitting Attachment 1: Female threads
Thread Size: 1/8 in. NPT
Brake Pads Included: No
Brackets Included: No
Remanufactured: No
Quantity: Sold individually.
Notes: Accepts 7816 type pad.
Stress-flow forging re-aligns the metal's grain structure within the contour of the caliper body. This eliminates the breaks and interruptions to the internal grain structure that occur when machining a straight block billet. Structural deflection and volume displacement tests have proven that FDNL calipers outperform all existing styles of this popular caliper size. The superior strength of this innovative design is combined with proven performance features from Wilwood's earlier designs.
Features of Wilwood Forged Narrow Dynalite calipers include:
* The strongest calipers in the class
* Direct replacements for all previous Narrow Dynalites and similar competitive brands with 3.50 in. centered mounting tabs
* Five bolts provide superior bridge strength and positive retention of the top loaded 7816 or 7216-type brake pads
* Radial-transition design between the piston housing body and the caliper bridges increases resistance to deflection and separation
* SRS stainless steel bridge plates eliminate bridge wear caused by pad gouging and extend the service life of the caliper body
* Spring-loading action of the SRS plates also eliminates pad rattle and dampens the vibration harmonics that contribute to squeal
* High-temperature seals and stainless steel pistons eliminate corrosion and retard heat transfer from the pads
* Internal fluid passages eliminate the need for external tubes
* Four corner bleed screws assure simple and effective bleeding and allow calipers to be mounted in any position, front or rear
* Full range of PolyMatrix pad compounds is available to match brake response and heat range requirements
* Available anodized, in custom colors, or polished (select piston sizes and rotor widths)
Brand: Wilwood Disc Brakes
Manufacturer's Part Number: 120-13406-SI
Part Type: Brake Calipers
Product Line: Wilwood Forged Narrow Dynalite Calipers
HP Direct Part Number: WIL-120-13406-SI
UPC: 889545080735
Caliper Series: Forged Narrow Dynalite
Caliper Piston Quantity: Four
Piston Diameter (in.): 1.750
Rotor Thickness (in.): 0.810 in.
Caliper Material: Aluminum
Caliper Color: Gray/Silver
Caliper Logo: Wilwood
Parking Brake Provision: No
Fittings Included: No
Fitting Attachment 1: Female threads
Thread Size: 1/8 in. NPT
Brake Pads Included: No
Brackets Included: No
Remanufactured: No
Quantity: Sold individually.
Notes: Accepts 7816 type pad.
Payment & Security
Your payment information is processed securely. We do not store credit card details nor have access to your credit card information.


