Description
Wilwood DynaPro Dual SA Lug Drive Dynamic rear drag brake kits are extremely beneficial to cars that rely heavily on the rear brakes for stopping power and generate above average rear brake heat. The lug-drive rotor mounting system eliminates the rotor bolts and makes assembly and installation literally a snap. They allow the rotors to move independently of the hats, removing any thermally generated stress. This enables your rotors to stay flatter and truer, as well as prevents your hats from getting distorted by the expansion and shrinkage of rotors. Wilwood DynaPro Dual SA rear drag brake kits are available in single and dual caliper configurations. If you want the best performance and reliability from your brake system, Wilwood crushes the competition.Brand: Wilwood Disc Brakes
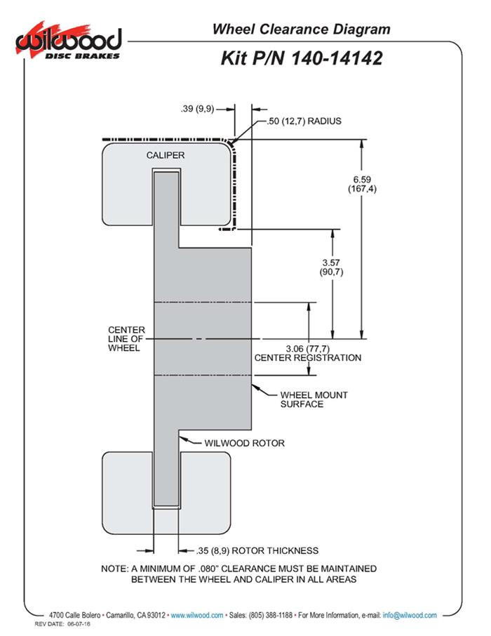
Manufacturer's Part Number: 140-14142-D
Part Type: Disc Brake Kits
Product Line: Wilwood DynaPro Dual SA Lug Drive Dynamic Rear Drag Brake Kits
HP Direct Part Number: WIL-140-14142-D
UPC: 889545094251
Position: Rear
Front Rotor Included: No
Brake Rotor Bolt Pattern (in.): Dual 5 x 4.75 in./5 x 5.00 in.
Brake Rotor Bolt Pattern (mm): Dual 5 x 120.65mm/5 x 127.00mm
Differential Case Design Type: GM 8.5 in., O axle
Axle Housing Flange Style: Oldsmobile/Pontiac (3.500 in. x 2.37 in.)
Rear Rotor Included: Yes
Rear Rotor Style: Cross-drilled surface
Rear Rotor Construction: Solid
Rear Rotor Diameter: 11.25 in./285.72mm
Rear Rotor Thickness (in.): 0.35
Front Caliper Included: No
Rear Caliper Included: Yes
Rear Caliper Piston Quantity: Four
Rear Caliper Material: Forged billet aluminum
Rear Caliper Color: Gray/Silver
Brake Pads Included: Yes
Friction Material Name: BP-28
Parking Brake Provision: No
Minimum Recommended Wheel Diameter (in.): 15 in.
Offset (in.): 2.810 in.
Front Spindles Included: No
Master Cylinder Included: No
Brake Booster Included: No
Remanufactured: No
Brake Hoses Included: No
Quantity: Sold as a kit.
Manufacturer's Part Number: 140-14142-D
Part Type: Disc Brake Kits
Product Line: Wilwood DynaPro Dual SA Lug Drive Dynamic Rear Drag Brake Kits
HP Direct Part Number: WIL-140-14142-D
UPC: 889545094251
Position: Rear
Front Rotor Included: No
Brake Rotor Bolt Pattern (in.): Dual 5 x 4.75 in./5 x 5.00 in.
Brake Rotor Bolt Pattern (mm): Dual 5 x 120.65mm/5 x 127.00mm
Differential Case Design Type: GM 8.5 in., O axle
Axle Housing Flange Style: Oldsmobile/Pontiac (3.500 in. x 2.37 in.)
Rear Rotor Included: Yes
Rear Rotor Style: Cross-drilled surface
Rear Rotor Construction: Solid
Rear Rotor Diameter: 11.25 in./285.72mm
Rear Rotor Thickness (in.): 0.35
Front Caliper Included: No
Rear Caliper Included: Yes
Rear Caliper Piston Quantity: Four
Rear Caliper Material: Forged billet aluminum
Rear Caliper Color: Gray/Silver
Brake Pads Included: Yes
Friction Material Name: BP-28
Parking Brake Provision: No
Minimum Recommended Wheel Diameter (in.): 15 in.
Offset (in.): 2.810 in.
Front Spindles Included: No
Master Cylinder Included: No
Brake Booster Included: No
Remanufactured: No
Brake Hoses Included: No
Quantity: Sold as a kit.
Payment & Security
Your payment information is processed securely. We do not store credit card details nor have access to your credit card information.



